| W、WY系列往複(fú)式真空泵是(shì)獲得粗真空(kong)的主要設備(bei),使用于煉油(you)🔴、顔料、塑料、肥(fei)皂、食品、制糖(táng)、制藥等方面(mian)的蒸發結晶(jing)、幹燥過濾;建(jiàn)築方面的混(hun)凝土作業;冶(yě)金工業中的(de)真空除氣及(jí)其它部門需(xu)要⛷️的低壓、低(di)溫作業。 |
|
技術參數 |
型号(hào) | WY-50(V5) | WY-100(W4) | WY-200(W5) | W3 | W4-A | W4-1 | W5-1 | W-300 | 抽氣(qì)速率(m3/h) | 200 | 370 | 770 | 200 | 370 | 370 | 770 | 1080 | 極限壓力(Pa) | 1300 | 1300 | 1300 | 2600 | 2600 | 2600 | 2600 | 2600 | 轉速(r.p.m) | 300 | 200 | 200 | 300 | 200 | 530 | 430 | 300 | 配用電(dian)機(Kw) | 5.5 | 11 | 22 | 5.5 | 11 | 11 | 22 | 30 | 汽(qi)缸直徑×行程(cheng) (mm) | 250×150 | 350×200 | 455×250 | 250×150 | 350×200 | 250×150 | 350×200 | 450×200 | 氣管(guan)直徑 (mm) | 進(jìn) | 2" | 4" | 5" | 2" | 4" | 4" | 5" | 175mm | 出 | 2" | 4" | 5" | 2" | 4" | 4" | 5" | 175mm | 水管直(zhí)徑 (mm) | 進 | 1/2" | 3/4" | 3/4" | 1/2" | 3/4" | 1/2" | 3/4" | 3/4" | 出 | 1/2" | 3/4" | 3/4" | 1/2" | 3/4" | 1/2" | 3/4" | 3/4" | 體積 | 長 | 1435 | 1819 | 2357 | 1418 | 1819 | 1486 | 1805 | 1980 | 寬(kuān) | 624 | 876 | 1010 | 630 | 876 | 520 | 670 | 745 | 高 | 710 | 900 | 1162 | 650 | 900 | 720 | 860 | 980 |
|
| |
W3往(wang)複式真空泵(beng)安裝尺寸圖(tu): |

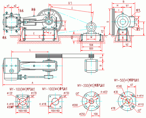
WY-50(V5)、WY-100(W4)、WY-200(W5)往複式真空(kōng)泵安裝尺寸(cun)圖:

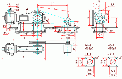
W4-1、W5-1往複式(shì)真空泵安裝(zhuāng)尺寸圖:

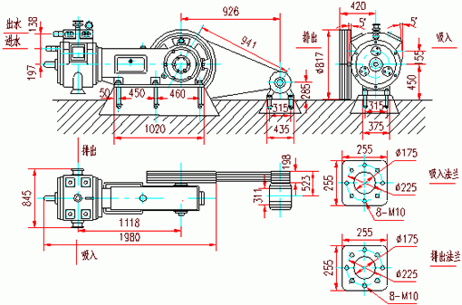
W300往(wǎng)複式真空泵(beng)安裝尺寸圖(tu):
